电磁阀的原理,停车电磁阀的工作原理?
电磁阀的原理,停车电磁阀的工作原理?
停车电磁阀的工作原理
原理: 它是一种直动和先导式相结合的原理,当入口与出口没有压差时,通电后,电磁力直接把先导小阀和主阀关闭件依次向上提起,阀门打开。
当入口与出口达到启动压差时,通电后,电磁力先导小阀,主阀下腔压力上升,上腔压力下降,从而利用压差把主阀向上推开;断电时,先导阀利用弹簧力或介质压力推动关闭件,向下移动,使阀门关闭。

电磁阀在电气原理图中以什么字母命名
电磁阀在电气原理图中的图形符号:YV 跟一般的电磁线圈图形一样。

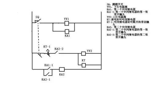
电磁阀工作原理及其控制线路如何查修
电磁阀主要由两个线圈,阀芯,阀体组成,通阀芯换向油路,阀的故障主要是内泄,阀芯跟阀体,基本没有维修的.查修内泄方法,把A.B口堵住,看压力表的压力有没有跳动,T口有没有回油,有跳动就内泄.
停机电磁阀工作原理
在正常运行时,它们是被通电关闭的,从而封住了自动停机紧急遮断母管上的抗燃油通道,使所有蒸汽执行机构活塞下腔的油压能建立起来。
当电磁阀失电打开,则总管泄油,致使所有汽阀关闭而使汽轮机停机。电磁阀(20/AST)是组成串并联安插,这样就有多重庇护性。每一个通道至少有一只电磁阀打开,才会致使停机。同时也提高了靠得住性,四只AST电磁阀肆意一只损坏或拒尽动作均不会引发停机。
交流电磁阀工作原理
电磁阀从原理上分为三大类:直动式、分步直动式、先导式。而从阀瓣 结构和材料上的不同与原理上的区别又分为六个分支小类:直动膜片结构、分 步直动膜片结构、先导膜片结构、直动活塞结构、分步直动活塞结构、先导活 塞结构
一、 直动式电磁阀
原理:通电时,电磁阀线圈产生电磁力把关闭件从阀座上提起,阀门打开; 断电时,电磁力消失,弹簧力把关闭件压在阀座上,阀门关闭。特点:在真空、 负压、零压时能正常工作,但通径一般不超过 25mm。
二、分步直动式电磁阀
原理:它是一种直动和先导式相结合的原理,当入口与出口没有压差 时,通电后,电磁力直接把先导小阀和主阀关闭件依次向上提起,阀门打开。 当入口与出口达到启动压差时,通电后,电磁力先打开先导小阀,主阀下压 力上升,上腔压力下降,从而利用弹簧力或介质压力推动关闭件,向下移动, 使阀门关闭。特点:在零压或真空、高压时亦能可靠动作,但功率较大,要 求必须水平安装。
三、先导式电磁阀
原理:通电时,电磁力把先导孔打开,上腔室压力迅速下降,在关闭件 周围形成上低下高的压差,流体压力推动关闭件移动,阀门打开;断电时,弹 簧力把先导孔关闭,入口压力通过旁通孔迅速进入上腔室在关阀件周围形成下 低上高的压差,流体压力推动关闭件向下移动,关闭阀门。特点:流体压力范 围上限较高,可任意安装(需定制)但必须满足流体压差条件。
感应电磁阀工作原理
在不同位置开有通孔,每个孔连接不同的油管,腔中间是活塞,两面是两块电磁铁,哪面的磁铁线圈通电阀体就会被吸引到哪边,通过控制阀体的移动来开启或关闭不同的排油孔,而进油孔是常开的,液压油就会进入不同的排油管,然后通过油的压力来推动油缸的活塞,活塞又带动活塞杆,活塞杆带动机械装置
常开电磁阀工作原理
常开式电磁阀动作原理:给线圈通电,气路断开,线圈一旦断电,气路就会接通,这也是“点动”。
假定电磁球阀启始为关阀状态。此时阀内部开阀回路接通,当外接开阀信号(开关)接通,线圈通电,产生旋转力矩M,M带动球阀阀芯转动,转到阀处于全开位置时,阀内部开阀回路自动切断,线圈断电,阀保持全开,处于开阀状态。此时,阀内部关阀回路自动接通,以备下次关阀。
当外接关阀信号(开关)接通时,线圈带电,产生旋转力矩M,M带动球阀阀芯转动,转到阀处于全关时,内部关阀回路自动切断,线圈失电,阀保持全关,处于关闭状态,此时,阀内部开阀回路自动接通,以备下次开阀。
-
- 释小龙演过什么电视剧和电影
-
2023-09-23 02:52:53
-
- 萨姆沃辛顿演过哪些电影
-
2023-09-23 02:50:38
-
- 生化危机cg电影有几部
-
2023-09-23 02:48:23
-
- 人见人爱沈腾买电影票后续
-
2023-09-23 02:46:08
-
- 梁佩玲刘德华演的什么电影
-
2023-09-23 02:43:53
-
- 张睿李晟他们在一起演过什么电视剧
-
2023-09-23 02:41:38
-
- 沈欣王健是什么电视剧
-
2023-09-23 02:39:23
-
- 周润发全部电影大先生
-
2023-09-23 02:37:08
-
- 赵丽颖和张杰演的电视剧
-
2023-09-23 02:34:53
-
- 电影哪吒之魔童重生哪年上映的
-
2023-09-23 02:32:38
-
- 葡萄美酒夜光杯欲饮琵琶马上催,葡萄美酒夜光杯欲饮琵琶马上催是谁的诗句制作
-
2023-09-22 22:20:24
-
- 螃蟹放水里养还是干放,螃蟹经常在水里好还是没水好?
-
2023-09-23 01:32:32
-
- 哪些茶叶是绿茶,哪些茶叶都可以称为“绿茶”?
-
2023-09-22 22:15:54
-
- 毛巾上面有黑色斑点怎么去除,毛巾上面有黑色斑点怎么办
-
2023-09-22 22:13:39
-
- 甲骨文的来历,甲骨文水的来历?
-
2023-09-22 22:11:24
-
- 灰什么,灰什么什么三字叠词语?
-
2023-09-22 22:09:09
-
- 打气筒原理,两级高压打气筒原理?
-
2023-09-22 22:06:54
-
- 颤怎么读,颤搐汉语怎么读?
-
2023-09-22 22:04:39
-
- 剥好的毛豆米怎么保存,剥好的毛豆怎样保存时间更长更新鲜
-
2023-09-22 22:02:24
-
- 标准煤的热值,标准煤的发热量为多少?
-
2023-09-22 22:00:09



70后退休工资一览表(70后最新退休年龄表)
今世缘等着我2023年最新一期(等着我今晚播出)